Product  PKW3S-10/TEL

Pressure Transmitter

With Current Output (2-Wire)

Order number: 100003614
    • For mobile hydraulic applications
    • Fully welded metal measuring cell
    • Sealless
    • With pressure tip orifice
    • Compact and robust design
    • Excellent EMC properties
    • Excellent accuracy and long-term stability
    • Kfz-Norm ISO 16750
    • Pressure range 0…600 bar rel.
    • 7.5…33 VDC
    • Analog output 4…20 mA
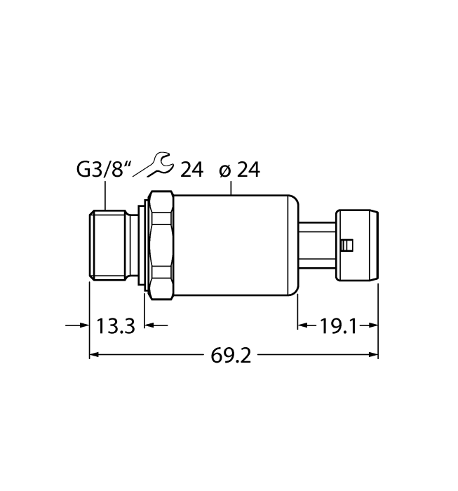
    • Process connection G3/8" male thread
    • Plug-in device, Metri Pack 150 P2S series
#

General data

EAN 4047101553888
eCl@ss-Code (V5.1.4): 27200614 -/- Piezoresistive sensor (absolute and relative pressure)
Customs tariff number 90262020000
Country of origin CH
Weight 90 g

Mounting accessories

6831832
D102316
3810270
CE 5111-xM
6611493
6900231
3076008

Connectivity accessories

100002936
to top