Product WKH4.5-5-WSH4.5/TFG
Absolute Rotary Encoder - Multiturn
Industrial Line
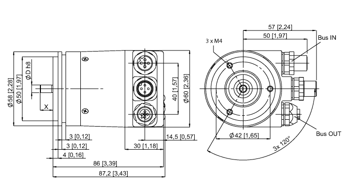
Order number: 1544417- Synchro flange, Ø 58 mm
- Solid shaft, Ø 6 mm × 10 mm
- Optical measuring principle
- Shaft material: stainless steel
- Protection class IP67 on shaft side
- -40…+80 °C
- Max. 3000 rpm
- Profibus
- Removable bus cover with male, 3 × M12
- Singleturn, resolution scalable to 16 bit (default 13-bit)
- Multiturn resolution max. 12 bit, scalable

General data
| EAN | 4047101255812 |
| eCl@ss-Code (V5.1.4): | 27270501 -/- Encoder, absolute |
| Customs tariff number | 90314990000 |
| Country of origin | DE |
| Weight | 725 g |
Mounting accessories
|
PS01VR-501-2UP8X-H1141 | 6831832 |

