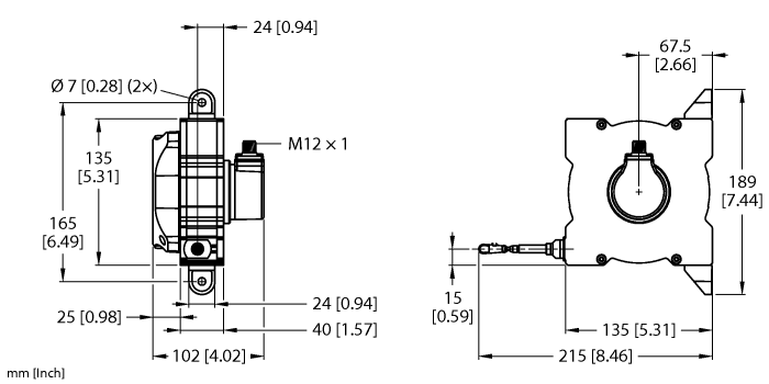
Product WSSW-WKSW451-0.3M
Draw-Wire
Order number: 100049391- Draw-wire sensor for large measuring lengths
- With permanently installed incremental encoder
- Measuring principle: optical
- Sensor protection class IP65
- ‐20…+85 °C
- 10…30 VDC
- Push-pull/HTL with inversion
- Pulse frequency max. 300 kHz
- M12 × 1 connector, 8-pin

General data
| EAN | 4047101659290 |
| eCl@ss-Code (V5.1.4): | 27270502 -/- Encoder, incremental |
| Customs tariff number | 90318020000 |
| Country of origin | DE |
| Weight | 2000 g |

