Product PT250R-2008-U1-H1141/X
DeviceNet™ Receptacle
Front-Mounted
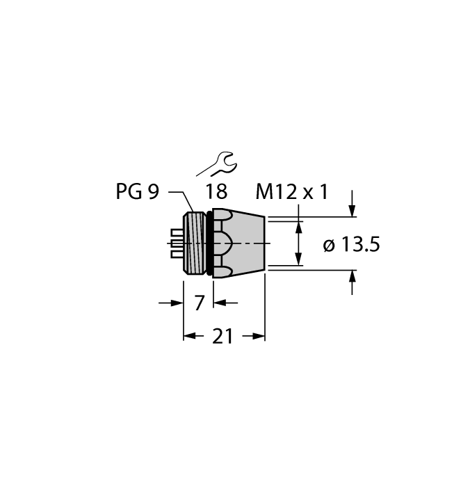
Order number: U1130-0- Female M12 eurofast receptacle
- 5-pin, solderable
- For use in CAN (DeviceNet™, CANopen) applications

General data
| EAN | 4047101021776 |
| eCl@ss-Code (V5.1.4): | 27250314 -/- Connection technology |
| Customs tariff number | 85366990990 |
| Country of origin | MX |
| Weight | 19 g |
Connectivity accessories
|
LE550DC1 W/30 | 3095384 |
|
BSS-08
Mounting clamp for smooth and threaded barrel sensors; material: Polypropylene |
6901322 |
|
RSC4.4T-15/TXG | 6634164 |
|
TI-BL20-E-EN-S-6
BL ident interface set |
7030632 |

