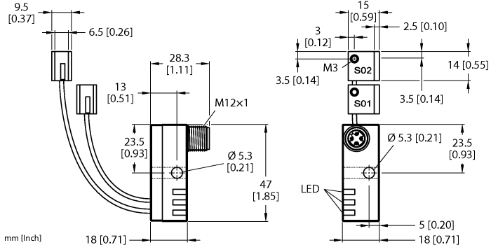
Product  VBRS4.4-2PKG3S-0.3/0.3/TEL

Inductive Sensor

Monitoring Kit for Power Clamps

Order number: 1650062
    • Q9,5 power block with two connected sensors and LEDs
    • Relocatable block 0°…90°, with cross drilling for flexible cable routing
    • Plastic, PP GR-20
    • Resistant to magnetic fields (weld-resistant), for DC and AC fields up to 100 mT
    • 2 x NO contact, PNP output
    • DC 4-wire, 10…30 VDC
#

General data

EAN 4047101081831
eCl@ss-Code (V5.1.4): 27270101 -/- Inductive proximity switch
Customs tariff number 85365019000
Country of origin CN
Weight 40 g

Technical Data

Cable length 0.20  m
Cable jacket Gray

Please confirm the format

Mode of dispatch

Format s.o.:

to top