Product  RSC4.4T-40/TXL

Pressure Transmitter

With Current Output (2-Wire)

Order number: 100049581
    • For mobile hydraulic applications
    • Fully welded metal measuring cell
    • Sealless
    • With pressure tip orifice
    • Compact and robust design
    • Excellent EMC properties
    • Excellent accuracy and long-term stability
    • Kfz-Norm ISO 16750
    • Pressure range 0…100 bar rel.
    • 7.5…33 VDC
    • Analog output 4…20 mA
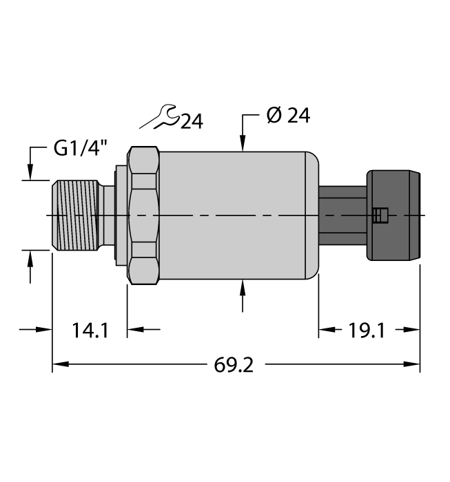
    • Process connection G1/4″ male thread (back sealing) according to DIN EN ISO 1179-2 with FPM profile sealing ring
    • Connector device, Metri Pack 150 P2S product series
#

General data

EAN 4047101661842
eCl@ss-Code (V5.1.4): 27200614 -/- Piezoresistive sensor (absolute and relative pressure)
Customs tariff number 90262020000
Country of origin CH
Weight 90 g

Technical Data

Approvals cULus

Mounting accessories

6831832
D102316
3809010
3091367
100000665
100036620
U-02620
3077105
3073899
6633014
3091692

Connectivity accessories

100002936
to top