Product  LCF08LEVMP

Glass Fiber

Single Conductor

Order number: 3021355

Alternative order number : 21355

    • Operating mode: Opposed mode sensor
    • Stainless steel jacket, flexible
    • Operating temperature of fiber-optic jacket: -140…+249 °C
    • End sleeve for sensor: Stainless steel, angled (90 °), rectangular beam exit
    • Operating temperature of fiber-optic tip: -140…+249 °C
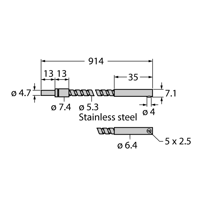
    • Optical fiber, bundle diameter: 1.2 mm
    • Optical fiber, total length: ± 914 mm
#

General data

EAN 662488213558
eCl@ss-Code (V5.1.4): 27061090 -/- Ready-made optical fiber (not classified)
Customs tariff number 90011090900
Country of origin US
Weight 82 g

Technical Data

Function Opposed mode sensor (emitter/receiver)
Housing material Stainless steel
Ambient temperature -140…+249 °C

Functional accessories

6635139
6628097
3033435
100003733
100029564
to top