Product WLS28-2XW570L25XPBQ
Accessories
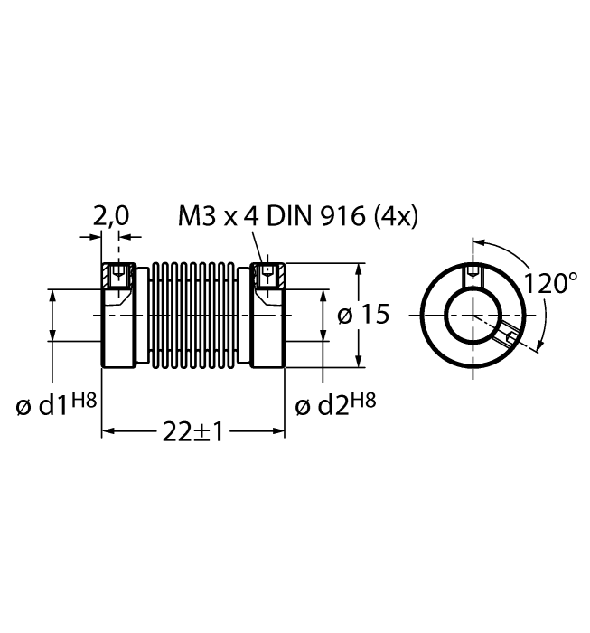
Bellows Coupling
For Solid Shaft Encoders
Order number: 1545364- Bellows coupling Ø 15 mm
- Bore diameter d1 = 4 mm, d2 = 4 mm

General data
| EAN | 4047101344073 |
| eCl@ss-Code (V5.1.4): | 27279090 -/- Sensor technology (not classified) |
| Customs tariff number | 84836080900 |
| Country of origin | DE |
| Weight | 8 g |
Mounting accessories
|
REI-E-113T8S-2B2500-H1181 | 100011551 |
|
RSS8T-5/TEL | 6625453 |
|
PKG4M-1-PSW4M/TEL | 6625316 |
Connectivity accessories
|
TI-BL20-E-EN-S-6
BL ident interface set |
7030632 |
|
RSC4.4T-15/TXG | 6634164 |

