Product  DS18VN6FF50Q8

Inductive Sensor

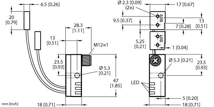
Monitoring Kit for Power Clamps

Order number: 1650079
    • Q6,5 power block with two connected sensors and LEDs
    • Relocatable block 0°…90°, with cross drilling for flexible cable routing
    • Plastic, PBT‐GF20‐V0
    • Resistant to magnetic fields (weld-resistant), for DC and AC fields up to 100 mT
    • 2 x NO contact, NPN output
    • DC 4-wire, 10…30 VDC
#

Please confirm the format

Mode of dispatch

Format s.o.:

to top