Product  SLSCE14-900Q8

Safety Technology

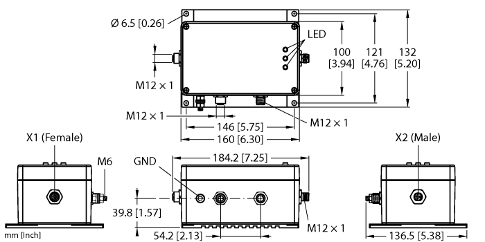
Switch Box for Disconnecting the Actuator Voltage V2

Order number: 100003275
    • Die-cast aluminum housing
    • M12 males, 5-pin, L-coded, for power supply
    • Electromechanical switch-off box
    • Voltage V2 disconnected by external safety module via M12 input
    • Feedback circuit for monitoring by external safety module via M12 output
    • Disconnection up to PLe in accordance with EN ISO 13849-1 possible
#

General data

EAN 4047101477351
eCl@ss-Code (V5.1.4): 27371690 -/- Relay (safety technology)
Customs tariff number 85364190890
Country of origin DE
Weight 1794 g

Technical Data

Function for RFID safety switches
PL acc. to EN ISO 13849-1 Level e
SIL acc. to IEC 61508 3
Category acc. to DIN EN 13849-1:2008 4
Ambient temperature -25…+40 °C
Protection class IP65

Connectivity accessories

to top