Product WLS28-2XWR2-990SQ
Plastic Fiber
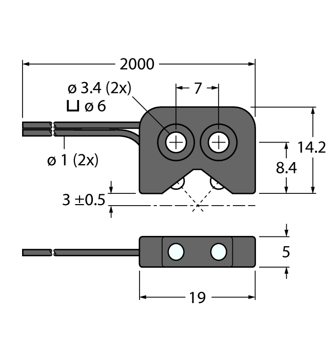
Single Conductor — Jacketed Optical Cable Made of Plastic Fiber
Order number: 3051832Alternative order number : 51832
- Operating mode: Convergent mode sensor
- 1 pcs. included in delivery
- Polyethylene jacket, flexible
- Operating temperature: -30…+70 °C
- Cable, straight, customizable
- End sleeve for probe, rectangular, convergent
- Optical fiber, total length: ± 1829 mm

General data
| EAN | 662488518325 |
| eCl@ss-Code (V5.1.4): | 27061090 -/- Ready-made optical fiber (not classified) |
| Customs tariff number | 85447000900 |
| Country of origin | JP |
| Weight | 40 g |
Technical Data
| Function | Opposed mode sensor (emitter/receiver) |
| Housing material | Plastic, PE, Black |
| Ambient temperature | -30…+70 °C |
Mounting accessories
|
REI-E-113T8S-2B2500-H1181 | 100011551 |
|
RSS8T-5/TEL | 6625453 |
|
PKG4M-1-PSW4M/TEL | 6625316 |
Connectivity accessories
|
TI-BL20-E-EN-S-6
BL ident interface set |
7030632 |
|
RSC4.4T-15/TXG | 6634164 |

