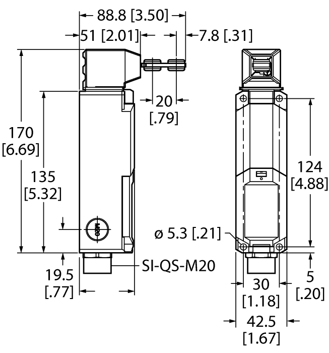
Product NI12U-MT18H-AP6X-H1141
Safety Technology
Guard Locking Safety Switch
Integrated Snap-Lock Function
Order number: 3047875Alternative order number : 47875
- Limit switch
- Fulfills IEC 60947-5-1
- With locking
- Locking with spring
- Release with magnet
- 2 safety outputs, NC contact
- 2 solenoid position monitoring, NC and NO contact
- Power supply of the solenoid coil
- SIL 3 (IEC 61508)
- PL e (ISO 13849-1)

General data
| EAN | 662488478759 |
| Customs tariff number | 85365019000 |
| Country of origin | DE |
| Weight | 391.9 g |
Technical Data
| Design | Rectangular |
| Output function | 2 x NC contact, Potential-free |
| Electrical connection | Terminal chamber, Terminal box with cable gland |
| Housing material | Plastic, Thermoplastic material |
| Ambient temperature | -25…+70 °C |
| Protection class | IP65 |
| Special features | Lockable |
Mounting accessories
|
NI3-M08-AP6X-V1131
Cylindrical; Threaded Barrel; 8 mm; Chrome-plated Brass |
4602930 |
|
Q25RW3LP W/30 | 3033877 |
|
VAS22-S80E-0.3-RSC5.31T/TXL | 6606506 |
|
PKGC4.5S-10-RSC4.5T/TXL1405 | 6635762 |
Connectivity accessories
|
SSD.I.AUTOMOTIVE-GM_GCCL.KO | DP000113_KR |

