Product  MNI.P.IO_SYSTEM-EXCOM_SIEMENS_PCS7_PN.EN

Inductive Sensor

With Increased Switching Distance

Order number: 4610020
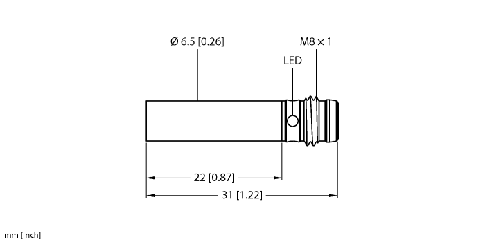
    • Smooth barrel, Ø 6.5 mm
    • Stainless steel, 1.4305 (AISI 303)
    • Large sensing range
    • DC 3-wire, 10…30 VDC
    • NO contact, PNP output
    • M8 x 1 male connector
#

General data

EAN 4047101155068
eCl@ss-Code (V5.1.4): 27270101 -/- Inductive proximity switch
Customs tariff number 85365019000
Country of origin LK
Weight 7 g

Please confirm the format

Mode of dispatch

Format s.o.:

to top